Receptor de radio Lincoln 60

Al principio de los años 30 los muebles de los receptores de radio tenían la característica común de ser en forma de «cúpula» o «catedral». Al mismo tiempo, todos los fabricantes -sobre todo los norteamericanos- proponen modelos alternativos fabricados con maderas de mucha calidad y de distintas dimensiones.

Todos estos aparatos de radio de los años 30 estaban equipados con circuitos más modernos como el circuito heterodino que acababa de desarrollarse en Estados Unidos (inventado y patentado por Edwin Howard Armstrong en el año 1918) dejando atrás los circuitos de amplificación directa que se estaban montando en Europa. Todo esto significaba poder ofrecer los receptores de radio a precios más competitivos para los futuros usuarios o radioyentes.

Radio Lincoln 60

Radio Lincoln 60. Francia, año 1932 (RBA).

Radio Lincoln 60

La radio Lincoln es precisamente de esta década, uno de los aparatos interesantes de esa época. El chasis de la Radio Lincoln 60 es muy robusto y permite que las válvulas y los componentes estén muy bien colocados y distribuidos para un buen funcionamiento.

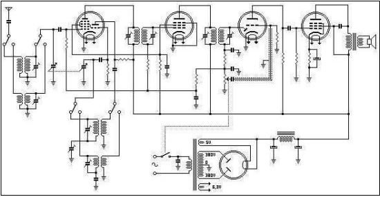
Circuito Superheterodino

Circuito eléctrico de un receptor superheterodino del año 1933.

Haciendo un poco de historia, la palabra heterodino deriva del griego hetero, que significa «diferente» y dino, que significa «poder o señales diferentes». En el año 1926 comenzó a utilizarse el circuito heterodino en Estados Unidos por la necesidad de emplear receptores muy selectivos debido al incremento de emisoras y a la gran potencia que transmitían. Su adopción en Europa respecto a Estados Unidos se retrasó  ya que el circuito que se equipaban los receptores eran de amplificación directa y se obtenían buenos resultados debido a la escasez de emisoras y de su poca potencia.

Fueron muchos los fabricantes que comenzaron a incorporar este tipo de circuito a sus receptores de radio y añadieron el prefijo de «superheterodino» con fines meramente comerciales. La estrecha colaboración entre las casas fabricantes de aparatos de radio de Estados Unidos y  de Francia se desarrolló a partir de los años 30 y continuó hasta mediados de los años 50. En los años 30, Francia era un país con unas relaciones comerciales muy fluidas con Estados Unidos lo que permitía que muchos fabricantes estadounidenses construyeran aparatos de radio destinados al mercado francés y europeo.

Existen muchos modelos que solo se diferencian del original mediante la marca, las funciones de los mandos y que las gamas de onda aparecen en francés. En su mayoría son modelos muy clásicos de receptores de radio de muebles de madera. Son ejemplos  muy representativos las marcas y modelos Pilot 93, RCA, Emerson, Astor 60, Lincoln 60. Sus líneas y su estética a un despiertan el interés de coleccionistas.

Radio Pilot 93

Radio Pilot modelo 93, EEUU, año 1932.

El Pilot modelo 93 es un magnífico ejemplar con un mueble muy bien terminado de rica madera en color claro, trabajada con mucho esmero y decorado con marquetería en el frontal.

Tiene 34 centímetros de anchura, 20 centímetros de altura y una profundidad de 20 centímetros. Es un aparato de radio considerado de dimensiones medias. Está equipado con un circuito superheterodino, con las siguientes válvulas 6A7, 6D6, 75, 43, y 25Z5,  alimentado  a 115 voltios y dos gamas de ondas OM, OC.

MI REPRODUCCIÓN EN MINIATURA 

Mi reproducción en miniatura respecto a este tipo de aparatos de radio corresponde al original Lincoln 60, que bien podría ser un Astor 60 pues en sus modelos originales solo los diferencia únicamente el nombre de la marca y los mandos. Está construido con madera de roble francés recuperada de barricas de vino, que tanto abundan en esta zona del Somontano de Barbastro tan llena de bodegas y viñedos.

Radio en miniatura Lincol 60

La madera de este receptor de radio Lincoln 60 está muy trabajada con unas nervaduras desde la base hasta la parte superior del aparato y constituyen un elemento estético.

Radio en miniatura Lincoln 60

Las aristas frontales de la base subrayan la simetría del aparato. La escala de sintonía es numérica. Unas plaquitas en el frontal del receptor de radio Lincoln 60 realzan la posición de los mandos.

Radio en miniatura Lincoln 60

Dos tornillos sujetan la tapa trasera para acceder al interior del aparato para facilitar la sustitución de las pilas. El cable extensible sirve de antena, sobre todo en las zonas  de más difícil recepción.

Radios en minuatura Lincoln 60

Circuito: Superheterodino

Alimentación: 3 voltios

Gama de ondas : AM, FM.

Medidas: ancho 13 cm, alto 11 cm, fondo 7 cm.

Debido a la calidad y dureza de la madera de roble  y su procedencia, hay que tener en cuenta que ha estado «bañada» en vino un mínimo tiempo de cinco años, el resultado es  un mueble muy compacto que permite una audición clara y nítida. Además, este receptor de radio Lincoln 60 posee la particularidad que desprende un aroma afrutado típico de los vinos a los que ha estado sometida dicha madera en forma de barrica.

¡Una pequeña gran radio! Pero muy original.

Un comentario sobre “Receptor de radio Lincoln 60

Agrega el tuyo

  1. Hola Manolo!
    Veo que entiendes de técnica de radios.También tienes buena documentación. Me alegra mucho ver esta web y su fabuloso contenido. Me gustaría después de este primer contacto, tener noticias tuyas más recientes y así poder documentarnos más de nuestra afición por la radio de época. Pertenezco a la junta de ACAR ( Asociación Cultural Amigos de la Radio) de Barcelona, somos muchos asociados de toda España y del Extranjero. No se si nos conoces, si lo deseas te enviaría información, seguro que te interesa!
    Saludos!

Deja un comentario

Blog de WordPress.com.

Subir ↑